廣東省4月份代理購(gòu)電工商業(yè)用戶電價(jià)表
深圳4月份代理購(gòu)電工商業(yè)用戶電價(jià)表
廣西省4月份代理購(gòu)電工商業(yè)用戶電價(jià)表
貴州省4月份代理購(gòu)電工商業(yè)用戶電價(jià)表
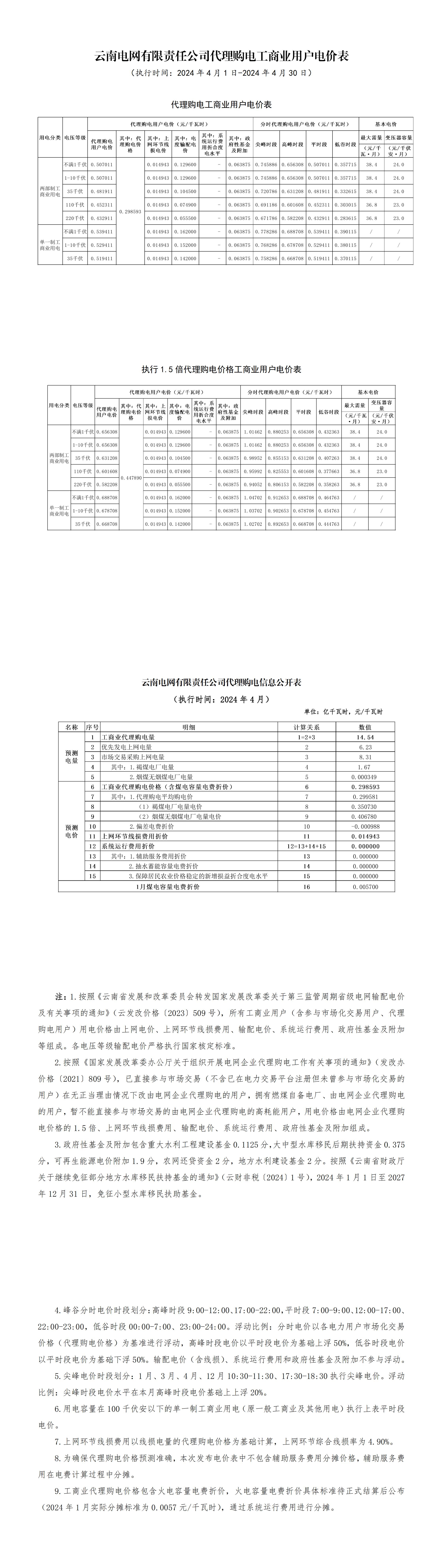
云南省4月份代理購(gòu)電工商業(yè)用戶電價(jià)表